Ações

Mudanças entre as edições de "KNT4/400"

De Kraus & Naimer

Linha 192: Linha 192:
 
&nbsp;&nbsp;&nbsp;&nbsp;&nbsp;&nbsp;&nbsp;&nbsp;&nbsp; Para ligação em 250V => chave com 3 polos com 2 em série no positivo e 1 no polo negativo<br>
 
&nbsp;&nbsp;&nbsp;&nbsp;&nbsp;&nbsp;&nbsp;&nbsp;&nbsp; Para ligação em 250V => chave com 3 polos com 2 em série no positivo e 1 no polo negativo<br>
 
&nbsp;&nbsp;&nbsp;&nbsp;&nbsp;&nbsp;&nbsp;&nbsp;&nbsp; Para ligação em 400V => chave com 4 polos com 3 em série no positivo e 1 no polo no paralelo<br>
 
&nbsp;&nbsp;&nbsp;&nbsp;&nbsp;&nbsp;&nbsp;&nbsp;&nbsp; Para ligação em 400V => chave com 4 polos com 3 em série no positivo e 1 no polo no paralelo<br>
 +
 +
== Dispositivos opcionais disponíveis para este modelo ==
 +
- Prolongador - '''[[KP10]]'''<br>
 +
- Capa protetora dos terminais - '''[[KET200]]'''<br>
 +
- Acoplamento de porta sem trava - '''[[KEBC10]]''' <br>
 +
- Acoplamento de porta com bloqueio tipo Kirk - '''[[KEKC10]]''' <br>
 +
- Contatos auxiliares - '''[[KM12]]''' <br>
 +
- Acoplamento de porta com trava - '''[[KECC10]]''' <br>
 +
 
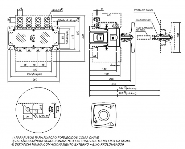
==Dimensões==
 
==Dimensões==
 
'''Dimensões em mm'''
 
'''Dimensões em mm'''
  
 
[[Arquivo: Dim_knt4_400.jpg|600px|]]
 
[[Arquivo: Dim_knt4_400.jpg|600px|]]

Edição das 08h28min de 11 de junho de 2013

Dados Elétricos

IEC 60947-3, EN 60947-3, VDE 0660 part 107:

Corrente nominal em regime contínuo Iu 400A
Corrente térmica convencional Ith 400A
Tensão nominal de operação Ue 690V
Tensão nominal de isolamento Ui
Tensão nominal de impulso suportável Uimp 8kV
Corrente presumida de curto-circuito com fusível conectado em série Ip

- para 50/60 Hz 690V (rms)
- máxima corrente In do fusível
- corrente de corte Ic
- integral de Joule I²t

50kA/100kA
500A/250A
40kA/33kA
1.700kA²s/380kA²s

Capacidade nominal de estabelecimento em curto-circuito (Icm) (pico) 26,5kA
Corrente nominal admissível de curta duração (Icw) (rms) 12kA/0,3s
Capacidade de operação em carga 415V 500V 690V

- corrente nominal de operação (le) em AC-21
- corrente nominal de operação (le) em AC-22
- corrente nominal de operação (le) em AC-23*
- potência nominal de operação (le) em AC-23

400A
400A
305A
180kW

400A
400A
254A
180kW

400A
315A
138A
132kW

Tensão aplicada, 60s 3.500V
Corrente nominal máxima de fusíveis de ação retardada In 400A
Durabilidade mecânica (manobras) 16.000
Temperatura ambiente permitida (-25 até +55)ºC
Torque requerido para manobra 7,5Nm
Grau de proteção IP20
Perda watt por polo com corrente de regime 12,8W
Seção dos condutores de conexão

- cabos com terminal
- barras
- torque no parafuso de conexão (+-10%)
- parafusos dos terminais (Sextavado)

240mm²
25x5mm
28Nm
M10x25

Contato auxiliar com 1 NA + 1 NF (acessório)**

- pode-se fixar até
- corrente de operação para

2A

Peso 4,4kg
Manobra de capacitores (somente para abertura)



418V

550V

190kVAr
260A
220kVAr
230A

Operação em corrente contínua*** 220V 250V 440V

- corrente operacional le em DC-21
- corrente operacional le em DC-22
- corrente operacional le em DC-23

500A
315A
-

315A
315A
200A

315A
315A
200A

∗ O teste de capacidade para operação em carga é realizado: no fechamento com 10 x Ie, na abertura com 8xIe, com fator de potência f.p. 0,35 e tensão 1,05xUe
∗∗ Sob consulta para utilização de mais contatos auxiliares
∗∗∗ Para ligação em 220V => chave com 4 polos com 2 a 2 em paralelo
          Para ligação em 250V => chave com 3 polos com 2 em série no positivo e 1 no polo negativo
          Para ligação em 400V => chave com 4 polos com 3 em série no positivo e 1 no polo no paralelo

Dispositivos opcionais disponíveis para este modelo

- Prolongador - KP10
- Capa protetora dos terminais - KET200
- Acoplamento de porta sem trava - KEBC10
- Acoplamento de porta com bloqueio tipo Kirk - KEKC10
- Contatos auxiliares - KM12
- Acoplamento de porta com trava - KECC10

Dimensões

Dimensões em mm

Dim knt4 400.jpg