Ações

Mudanças entre as edições de "KNAT4/1000"

De Kraus & Naimer

Linha 129: Linha 129:
 
</tr>
 
</tr>
 
<tr>
 
<tr>
<th>Contato auxiliar com 1 NA + 1 NF (acessório)**</th>
+
<th>Contato auxiliar com 1 NA + 1 NF (até 2 blocos - acessório)**</th>
 
<td colspan="3"></td>
 
<td colspan="3"></td>
 
</tr>
 
</tr>
Linha 135: Linha 135:
 
<td style="text-align:left;">
 
<td style="text-align:left;">
 
- pode-se fixar até<br>
 
- pode-se fixar até<br>
- corrente de operação para
+
- corrente de operação para 380Vca
 
</td>
 
</td>
 
<td colspan="3">
 
<td colspan="3">
2A<br>
+
16A<br>
 
</td>
 
</td>
 
</tr>
 
</tr>
Linha 144: Linha 144:
 
<th>Peso</th>
 
<th>Peso</th>
 
<td colspan="3">16,8kg</td>
 
<td colspan="3">16,8kg</td>
</tr>
 
<tr>
 
<th>Manobra de capacitores (somente para abertura)<br><br><br><br></th>
 
<td>
 
418V<br><br>
 
550V<br><br>
 
726V<br><br>
 
</td>
 
<td>
 
405kVAr<br>800A<br>
 
530kVAr<br>800A<br>
 
700kVAr<br>570A<br>
 
</td>
 
<td></td>
 
</tr>
 
<tr class="azul">
 
<th>Operação em corrente contínua***</th>
 
<td>220V</td>
 
<td>250V</td>
 
<td>440V</td>
 
 
</tr>
 
<tr class="azul">
 
<td style="text-align:left;">
 
- corrente operacional le em DC-21<br>
 
- corrente operacional le em DC-22<br>
 
- corrente operacional le em DC-23
 
</td>
 
<td>
 
1.250A<br>
 
-<br>
 
-<br>
 
</td>
 
<td>
 
800<br>
 
800<br>
 
800<br>
 
</td>
 
<td>
 
800A<br>
 
800A<br>
 
800A<br>
 
</td>
 
 
</tr>
 
</tr>
 
</table>
 
</table>
Linha 192: Linha 149:
 
&lowast; O teste de capacidade para operação em carga é realizado: no fechamento com 10 x Ie, na abertura com 8xIe, com fator de potência f.p. 0,35 e tensão 1,05xUe<br>
 
&lowast; O teste de capacidade para operação em carga é realizado: no fechamento com 10 x Ie, na abertura com 8xIe, com fator de potência f.p. 0,35 e tensão 1,05xUe<br>
 
&lowast;&lowast; Sob consulta para utilização de mais contatos auxiliares<br>
 
&lowast;&lowast; Sob consulta para utilização de mais contatos auxiliares<br>
&lowast;&lowast;&lowast; Para ligação em 220V => chave com 4 polos com 2 a 2 em paralelo<br>
+
 
&nbsp;&nbsp;&nbsp;&nbsp;&nbsp;&nbsp;&nbsp;&nbsp;&nbsp; Para ligação em 250V => chave com 3 polos com 2 em série no positivo e 1 no polo negativo<br>
 
&nbsp;&nbsp;&nbsp;&nbsp;&nbsp;&nbsp;&nbsp;&nbsp;&nbsp; Para ligação em 400V => chave com 4 polos com 3 em série no positivo e 1 no polo no paralelo<br>
 
  
 
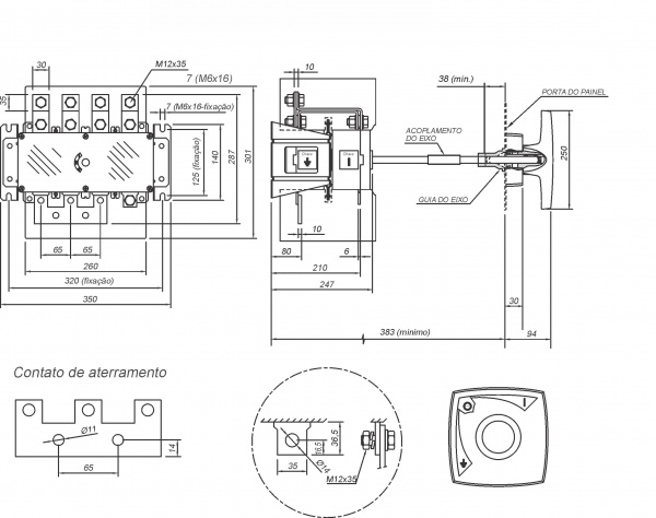
==Dimensões==
 
==Dimensões==

Edição das 09h39min de 23 de julho de 2014

Dados Elétricos

IEC 60947-3, EN 60947-3, VDE 0660 part 107:

Corrente nominal em regime contínuo Iu 1.000A
Corrente térmica convencional Ith 1.000A
Tensão nominal de operação Ue 690V
Tensão nominal de isolamento Ui 1.000V
Tensão nominal de impulso suportável Uimp 12kV
Corrente presumida de curto-circuito com fusível conectado em série Ip

- para 50/60 Hz 690V (rms)
- máxima corrente In do fusível
- corrente de corte Ic
- integral de Joule I²t

50kA/100kA
1.000A/630A
70kA/65kA
4.200kA²s/3.200kA²s

Capacidade nominal de estabelecimento em curto-circuito (Icm) (pico) 76kA
Corrente nominal admissível de curta duração (Icw) (rms) 36kA/0,3s
Capacidade de operação em carga 415V 500V 690V

- corrente nominal de operação (le) em AC-21
- corrente nominal de operação (le) em AC-22
- corrente nominal de operação (le) em AC-23*
- potência nominal de operação (le) em AC-23

1.000A
1.000A
690A
425kW

1.000A
1.000A
575A
425kW

1.000A
1.000A
437A
425kW

Tensão aplicada, 60s 3.500V
Corrente nominal máxima de fusíveis de ação retardada In 1.000A
Durabilidade mecânica (manobras) 10.000
Temperatura ambiente permitida (-25 até +55)ºC
Torque requerido para manobra 35Nm
Grau de proteção IP20
Perda watt por polo com corrente de regime 47,5W
Seção dos condutores de conexão

- cabos com terminal
- barras
- torque no parafuso de conexão (+-10%)
- parafusos dos terminais (Sextavado)

(2x)240mm²
(2x)40x10mm
40Nm
M12x35

Contato auxiliar com 1 NA + 1 NF (até 2 blocos - acessório)**

- pode-se fixar até
- corrente de operação para 380Vca

16A

Peso 16,8kg

∗ O teste de capacidade para operação em carga é realizado: no fechamento com 10 x Ie, na abertura com 8xIe, com fator de potência f.p. 0,35 e tensão 1,05xUe
∗∗ Sob consulta para utilização de mais contatos auxiliares


Dimensões

Dimensões em mm

Dim knat4 1000.jpg