Ações

KNT4/1250

De Kraus & Naimer

Dados Elétricos

IEC 60947-3, EN 60947-3, VDE 0660 part 107:

Corrente nominal em regime contínuo Iu 1.250A
Corrente térmica convencional Ith 1.250A
Tensão nominal de operação Ue 690V
Tensão nominal de isolamento Ui 1.000V
Tensão nominal de impulso suportável Uimp 12kV
Corrente presumida de curto-circuito com fusível conectado em série Ip

- para 50/60 Hz 690V (rms)
- máxima corrente In do fusível
- corrente de corte Ic
- integral de Joule I²t

50kA*
-
-

Capacidade nominal de estabelecimento em curto-circuito (Icm) (pico) 110kA
Corrente nominal admissível de curta duração (Icw) (rms) 50kA/1,0s
Capacidade de operação em carga 415V 500V 690V

- corrente nominal de operação (le) em AC-21
- corrente nominal de operação (le) em AC-22
- corrente nominal de operação (le) em AC-23**
- potência nominal de operação (le) em AC-23

1.2500A
1.250A
1.250A
750kW

1.250A
1.250A
850A
630kW

1.250A
1.250A
630A
630kW

Tensão aplicada, 60s 3.500V
Corrente nominal máxima de fusíveis de ação retardada In -
Durabilidade mecânica (manobras) 6.000
Temperatura ambiente permitida (-25 até +55)ºC
Torque requerido para manobra 65Nm
Grau de proteção IP20
Perda watt por polo com corrente de regime 62,5W
Seção dos condutores de conexão

- cabos com terminal
- barras
- torque no parafuso de conexão (+-10%)
- parafusos dos terminais (Sextavado ou allen)

-
(2x)40x10mm
60Nm
M16x50

Contato auxiliar com 1 NA + 1 NF (acessório)***

- corrente de operação para

2A

Peso 30,5kg

∗ Teste de curto-circuito sem proteção por fusível
∗∗ O teste de capacidade para operação em carga é realizado: no fechamento com 10 x Ie, na abertura com 8xIe, com fator de potência f.p. 0,35 e tensão 1,05xUe
∗∗∗ Sob consulta para utilização de mais contatos auxiliares

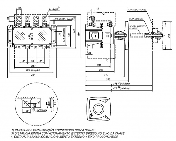
Dimensões

Dimensões em mm

Dim knt4 1250.jpg